
一、水質在線監測系統產品介紹
1.1概述
QSZ04取水水質監測微系統是基于物聯網技術的綜合傳感器采集、顯示、分析系統,供水水質監測微系統,由穩流排氣單元、分析測試單元、系統控制單元和遠程通訊單元等組成,具備完善的供電、防雷、網絡通訊等功能。
1.2產品定位
QSZ04取水水質監測微系統具有自動監測功能,一體化抽取式微型水質自動監測站主要監測項目為:水溫、電導率、PH、溶解氧。它采用高度集成技術,在一個機柜內實現了自動水質監測功能。
該設備可廣泛用于城市或村鎮自來水廠、自來水輸水管網、自來水二次供水、用戶末梢、室內游泳池、大型凈水設備和直飲水等水質在線監測,是水廠生產過程控制、水利水務管理、衛生監督等領域必不可少的在線分析設備
1.3功能與特點
·GPRS聯網4G
·支持擴展RJ45聯網
·支持擴展傳感器遠傳
·支持LED屏顯示7.0寸觸摸控制屏
·支持擴展安卓屏顯示、存儲
·擴展安卓屏支持2G數據存儲、U盤數據導出
·支持一路RS485 modbus-RTU協議從站
·支持多通道RS485 modbus-RTU傳感器擴展
·配套物聯網數據展示、存儲、分析平臺
·平臺支持TCP短鏈接、HTTP協議等多種協議數據轉發
二、水質在線監測系統組成
2.1組成單元
取水水質監測微系統由供電單元、水泵控制單元、分析測試單元、顯示單元、水泵單元和遠程通訊單元及集成箱主體單元組成。
2.1.1供電單元
電源適配器AC220轉DC12V/3A。
2.1.2水泵控制單元
DC12V 30W智能型自吸泵最高揚程:40m開口流量:2.8L/min
2.1.3分析測試單元
分析測試單元,主要由水溫、電導率、PH、溶解氧傳感器構成,通過螺紋或緊配固定件固定于流通池上,傳感器主要參數如下:
技術參數
4序號名稱測量范圍測量原理測量精度是否標配備注
1溫度0~50℃高精度數字傳感器±0.3℃?
2pH0~14(ph)電化學(鹽橋)± 0.1PH?
3電導率0~5000uS/cm接觸式電極法± 1.5%?
4濁度0~40NTU(低濁)散射光法± 1%
5溶解氧0~20mg/L熒光壽命法± 2%?
6氨氮0~100mg/l離子選擇電極法±1mg
7cod0~500mg/ LUV254 吸收法±5%
注意:傳感器安裝時不能倒置或者水平安裝,至少傾斜15度角以上安裝,
以上水質傳感器工作環境0-50℃,<0.3Mpa。
2.1.4顯示單元
多參數監測儀,安裝于柜門處,進行數據采集、解析、顯示、通訊、數據保存操作

·安卓版本:4.4.2·CPU:四核Cortex?-A7·RAM/ROM:512M/4G·屏幕:7寸電容觸屏·供電:12V/1A·支持U盤擴展,支持內存卡擴展
2.1.5遠程通訊
RS485接口MODBUS-RTU通訊協議出廠設備地址6十進制支持03功能碼讀取數據
參數10進制地址16進制地址數據類型
參數1400010x0000H16位整數
參數2400020x0001H16位整數
參數3400030x0002H16位整數
參數4400040x0003H16位整數
參數5400050x0004H16位整數
參數6400060x0004H16位整數

按順序依次排列
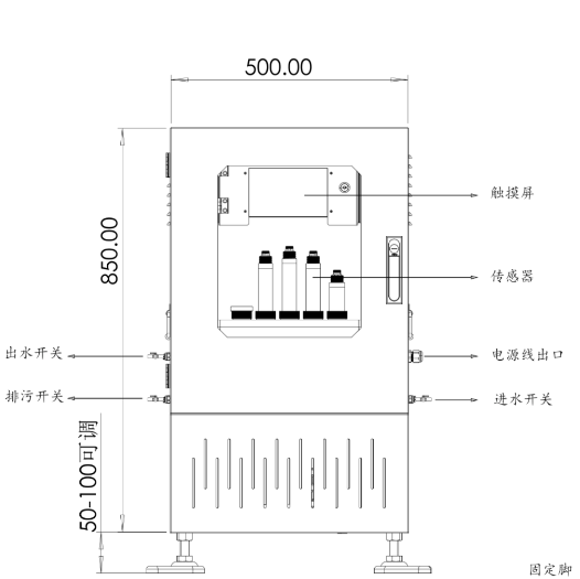
2.1.6設備箱主體單元
產品名稱取水水質監測微系統
安裝方式機柜落地是安裝,基座。
外形尺寸850mm*500mm*250mm 50-100mm可調
外殼材質304不銹鋼。
防護等級IP54
供電AC220V 內部電源適配器AC220轉DC12V/3A
進水口外徑φ6.5的2分凈水器PE管,流速500mL/min,壓力0.1-0.2MPa
出水口外徑φ6.5的2分凈水器PE管,流速400mL/min
排污口外徑φ6.5的2分凈水器PE管,流速100mL/min(也可手動定期排污)
自吸泵電機轉速:2800r/min
額定電壓:DC 12V
最大電流:2.5A
最大吸程:1.5m 最高揚程:40m
開口流量:2.8L/min保護壓力:0.4Mpa
配套傳感器(選)PH:0-14
溶解氧: 0-20mg/L
濁度:0-40NTU
電導率:0-5000us/cm
溫度:0 °C ~ 50 °C

三、產品尺寸


四、設備安裝
設備整體圖內部測量單元示意圖

循環檢測時間設定(建議使用出廠設定)循環時間越快會影響可控設備使用壽命。

4.1設備安裝流程

4.2現場勘察
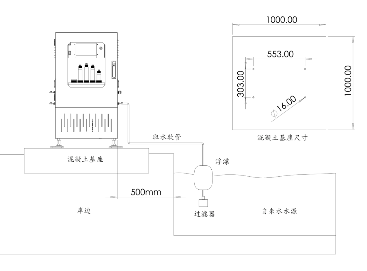
需方現場環境勘查,含各項現場條件(如安裝點、取水點、點位距離、電源電纜、管溝等)的確定。
4.3安裝前準備
需方負責落實安裝前準備工作,含取水點和安裝點位置確認、安裝點的水泥地基建設、電源電纜引入、鋪設管道地溝與基礎土建施工。
4.4安裝調試
進行安裝調試,含設備安裝、走管鋪設、校準調試。需方聯系供方技術協助調試。
4.5安裝點位距離確認
取水點到岸邊距離:水平距離不可超過10米,高差不可超過5米;
岸邊到水站距離:水平距離不可超過10米,高差不可超過5米;
4.6安裝點位基礎準備
勘查地質情況,如果地表是松軟土質,建議重新勘查選址或在原址上下挖0.5米深再進行澆筑混凝土;同時需確認開挖位置以下有無其他設施(如電纜管道等)
水泥地基建設,基礎尺寸為1.5m*1.5m,地基頂距原地面高度0.2m;用C20號或以上混凝土支模澆筑固定要保證整體的密實性牢固性,混凝土凝固過程中定時澆水養護,待混凝土完全凝固(一般72小時以上)可安裝設備;

水站基礎
(1)管道地溝開挖,(如圖3所示)管溝尺寸地面以下30cm開挖管溝寬度40cm;管路總體來講分為兩段:地面段和埋地段(參照圖3)。
(2)若開挖位置遇到瀝青、混凝土地面需對路面進行恢復;
(3)地面段:管路通過外層敷設保溫棉實現相應的保溫和防凍功能;
(4)埋地段:通過將管路敷設于當地凍土層以下,對管路起到防凍作用。
4.7安裝點位電源要求
電壓:220 V AC±10%;
頻率:50 Hz±5%;
將符合要求的電源引至水站安裝處。
4.8登錄平臺
云平臺大屏展示可投(http://47.92.208.0)
體驗賬號Test FT.com,默認密碼為123456

設備數據

五、保養維護
初次使用或久置不用重新使用時,
PH敏感球泡和參比液絡部應在3.3mol/L KCI溶液中浸入2小時以上。
使用時應先用去離子水(或蒸餾水)洗凈并擦干,防止雜質帶入被測液體中,傳感器的1/3應插入被測液體中。接線端子部分應保持清潔干燥,傳感器不用時應清洗干凈,插入加有3.3mol/L KCI溶液的保護套,或將傳感器插入加有3.3mol/L KCI溶液的容器中。檢查接線端子處是否干燥,如有污漬,請用無水酒精擦拭,干燥后再繼續使用。傳感器應避免長時間浸泡在去離子水,蛋白質溶液,強酸強堿溶液以及酸性氟化物溶液中,并防止與有機硅油脂接觸。使用時間較長的傳感器,它的玻璃膜可能變成半透明或者附有沉積物,此時可用稀鹽酸洗滌,并用水沖洗。傳感器使用時間較長出現測量誤差時,可通過配合儀器進行標定校正,當以上方式對傳感器進行維護和保養仍不能進行標定和測量時,說明傳感器已經失效,請更換傳感器。
電導率常規的電極需要進行周期性的清洗和校準,保養周期由客戶根據自己的工況來決定。常規電極的清洗方法:用軟毛刷清除附著物(注意避免劃傷電極表面),再用蒸餾水清洗,之后進行校準操作。
ORP敏感球泡和參比液絡部應在3.3mol/L KCI溶液中浸入2小時以上。
使用時應先用去離子水(或蒸餾水)洗凈并擦干,防止雜質帶入被測液體中,傳感器的1/3應插入被測液體中。接線端子部分應保持清潔干燥,傳感器不用時應清洗干凈,插入加有3.3mol/L KCI溶液的保護套,或將傳感器插入加有3.3mol/L KCI溶液的容器中。檢查接線端子處是否干燥,如有污漬,請用無水酒精擦拭,干燥后再繼續使用。傳感器應避免長時間浸泡在去離子水,蛋白質溶液,強酸強堿溶液以及酸性氟化物溶液中,并防止與有機硅油脂接觸。電極的鉑片若沾有油脂,則可用脫脂棉花沾以丙酮或酒精,輕輕擦洗干凈,若沾污物系不溶性無機物,則可用30-50%的鹽酸擦洗之,每天也可以用干凈的高級衛生紙擦一次。傳感器使用時間較長出現測量誤差時,可通過配合儀器進行標定校正,當以上方式對傳感器進行維護和保養仍不能進行標定和測量時,說明傳感器已經失效,請更換傳感器。
溶解氧傳感器外表面:用清水沖洗傳感器的外表面,如果仍有污垢殘留,
請用濕潤的軟布進行擦拭,對于一些頑固的污垢,可以在水中加入一些家用洗滌液來清洗。熒光膜頭表面:如果熒光膜頭表面存在污垢,請用清水沖洗或用軟布輕輕擦拭。清潔時注意力度避免造成測量區域劃傷而影響測量精度。避免熒光膜的內表面被陽光或強光照射不要用手及尖銳物體觸摸熒光膜在使用時避免熒光膜表面附著氣泡。
濁度傳感器維護:如傳感器需要清洗,可用溫水和適量的洗滌劑,進行清洗。
注意:避免強烈震動損環前面透光玻璃,切勿用硬制品刮擦
例行維護項
為保證監測儀正常運行,盡早發現故障隱患,應定期對監測儀進行系統的日常例行檢查。監測儀不需要特別的維護,但必須保持清潔。
例行檢查的項目和建議的檢查頻次由表給出。
日常例行檢查項目表
序號例行檢查內容正常情況描述建議頻次
1監測儀外觀是否清潔外觀清潔1次/月
2時間設置是否正確時間、日期正確1個月/次
3監測儀接地是否良好機殼與大地間無明顯電壓1個月/次
4各傳感器參數設置是否正常參考傳感器技術文檔1個月/次
5通信是否正常正常1個月/次
6其它器件有無損壞正常





















