
一、壓電雨量計產品概述
本壓電雨量傳感器采用PVDF壓電薄膜作為感雨器件,通過嵌入式AI神經網絡分辨雨滴信號,避免因砂礫、灰塵、振動等干擾帶來誤觸發。
廣泛應用于氣象環境監測、水文水利綜合監測站、交通道路監測、農林、風力發電等有關部門用來遙測降水量、降水強度、降水起止時間。用于防洪、供水調度、電站水庫水情管理為目的水文自動測報系統、自動野外測報站等。
二、壓電雨量計功能特點
1.一體化設計,外觀精美
2.無機械配件,無任何外露部件,可過濾樹葉、塵土、蟲子等環境因素所引入的相似信號
3.測量精度高,量程寬,穩定性能好,低功耗,抗外界干擾能力強
4.可全天候工作,不受天氣變化的影響,精確到秒的降雨時長監測
5.免維護,雨滴接觸面為弧形設計結構,不存儲雨水
6.安裝后帶有自動水平校準功能,無需現場校準
7.體積小巧,攜帶、拆卸安裝方便
8.不銹鋼材質,強度高、抗氧化、抗腐蝕
三、壓電雨量計技術參數
測量范圍 | 0-4mm/min |
測量精度 | ≤±4% |
分辨率 | 0.01mm |
采樣頻率 | <1S |
通訊接口 | RS485 |
通訊協議 | MODBUS |
電源 | DC12V |
功耗 | 0.12W |
工作溫度 | -40~85℃ |
工作濕度 | 0~100%RH |
加熱模塊(選配) | 電流:1A(DC12V) |
功耗:12-15W |
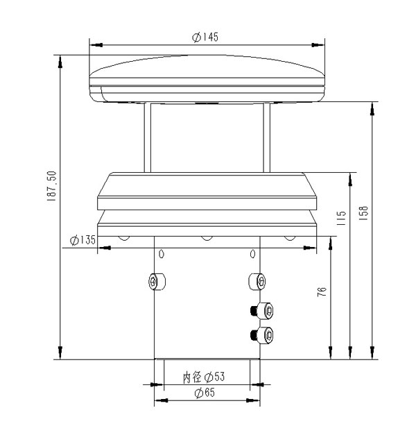
四、產品尺寸圖

五、產品結構圖

六、注意事項
1.傳感器水平周圍1米半徑無遮擋,避免水滴飛濺影響
2.傳感器安裝位置應避開強機械振動源
3.傳感器安裝上方應為開闊區域,雨滴應直接滴落至傳感器,應免二次滴落和連續水流沖擊





















