山東萬象環境科技有限公司
聯系人:毛經理
聯系電話:15666889815
QQ:1950883583
公司地址:山東省濰坊高新區新城街道玉清社區光電路155號濰坊高新區光電產業加速器(一期)1號樓301
PRODUCT
聯系人:毛經理
聯系電話:15666889815
QQ:1950883583
公司地址:山東省濰坊高新區新城街道玉清社區光電路155號濰坊高新區光電產業加速器(一期)1號樓301

更新時間:2025-11-21
產品型號:WX-QT3
產品價格:電議
產品品牌:萬象系
一、二氧化氮傳感器技術參數
二氧化氮傳感器是一種用于檢測和測量空氣中或特定環境中的二氧化氮氣體濃度的設備,能將 NO?濃度轉化為可讀取的電信號,廣泛應用于環境空氣質量監測、工業排放監管及室內安全預警場景,主流檢測技術以電化學和光學原理為主。
型號 | 測量參數 | 測量范圍 | 精度 | 分辨率 | 單位 | 工作溫度 | 工作濕度 |
QT1 | 一氧化碳 | 0-1000PPM | ±2PPM | 1PPM | PPM | -20℃-+50℃ | 10-95%RH無冷凝 |
QT1S | 0-20PPM | ≤±5% | 0.01PPM | PPM | -20℃-+50℃ | 10-95%RH無冷凝 | |
QT2 | 二氧化硫 | 0-20PPM | ±1PPM | 0.1PPM | PPM | -20℃-+50℃ | 10-95%RH無冷凝 |
QT2S | 0-1PPM | ≤±5% | 0.001ppm | PPM | -20℃-+50℃ | 10-95%RH無冷凝 | |
QT3 | 二氧化氮 | 0-20PPM | ±1PPM | 0.1PPM | PPM | -20℃-+50℃ | 10-95%RH無冷凝 |
QT3S | 0-1PPM | ≤±5% | 0.001ppm | PPM | -20℃-+50℃ | 10-95%RH無冷凝 | |
QT4 | 臭氧 | 0-20PPM | ±1PPM | 0.1PPM | PPM | -20℃-+50℃ | 10-95%RH無冷凝 |
QT4S | 0-1PPM | ≤±5% | 0.001ppm | PPM | -20℃-+50℃ | 10-95%RH無冷凝 | |
QT5 | 氧含量 | 0~30%VOL | ±3%FS | 0.1%VOL | VOL | -20℃-+50℃ | 5-95%RH 無冷凝 |
QT6 | 負氧離子 | 0~10萬 個/cm3 | ±10% | 10個/cm3 | 個/cm3 | +10℃-+70℃ | 10-70%RH無冷凝 |
QT7 | 硫化氫 | 0-100PPM | ±2PPM | 1PPM | PPM | -20℃-+50℃ | 10-95%RH無冷凝 |
QT8 | 甲烷 | 0-100%LEL | ≤±3% | 1%LEL | LEL | -20℃-+50℃ | 10-95%RH無冷凝 |
QT9 | TVOC | 0-100PPM | 55±15 nA/ppm | 1PPM | PPM | -20℃-+50℃ | 10-95%RH無冷凝 |
QT10 | 氨氣 | 0-100PPM | ±4PPM | 1PPM | PPM | -20℃-+50℃ | 10-95%RH無冷凝 |
QT11 | 一氧化氮 | 0-250PPM | -2~10PPM | 1PPM | PPM | -20℃-+50℃ | 10-95%RH無冷凝 |
QT12 | 甲醛 | 0-10PPM | <1PPM | 0.1PPM | PPM | -20℃-+50℃ | 10-95%RH無冷凝 |
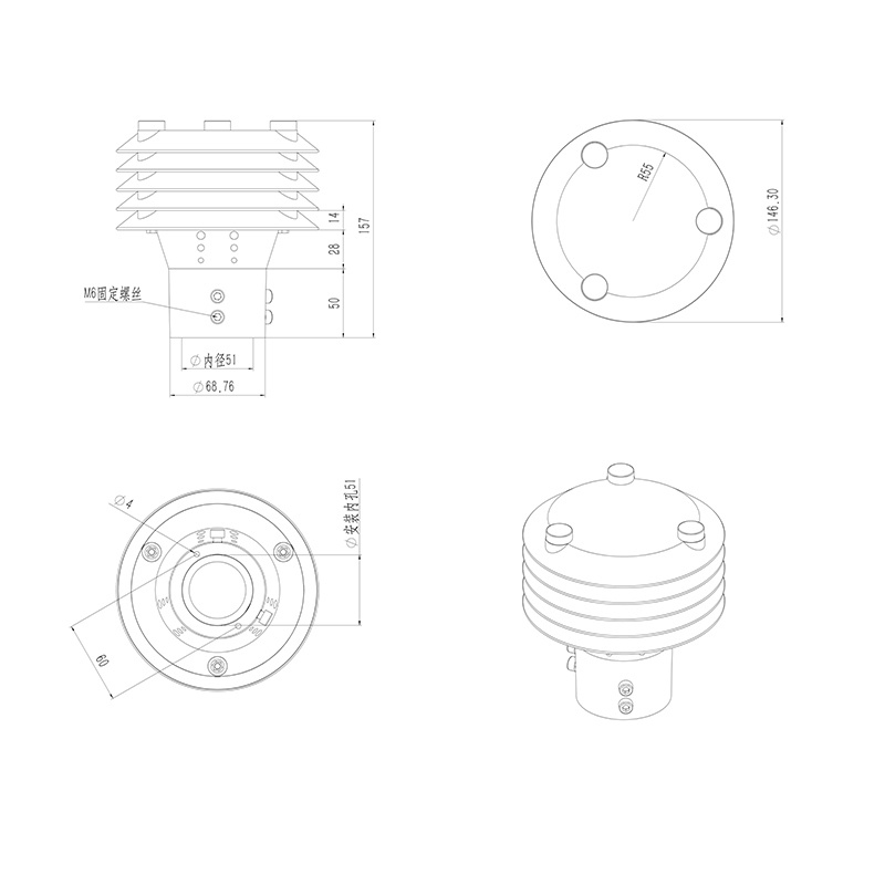
二、二氧化氮傳感器產品尺寸圖

魚塘水質監測設備實時盯緊水環境健康
2025-11-21 09:47:07在線懸浮物測試儀-環保治理、水處理必備儀器
2025-11-21 09:43:44病蟲害監測系統守護農田作物健康的核心裝備
2025-11-21 09:39:33北斗水文環境監測站保障水資源安全,應對水旱災害
2025-11-20 10:33:41大型油氣儲存基地雷電預警系統守護雷電安全的預警哨兵
2025-11-20 10:30:35非洲豬瘟PCR檢測儀守護畜牧安全
2025-11-20 10:28:21土壤溫濕度測定儀打造會說話的泥土!
2025-10-23 10:03:32防爆一體化氣象儀,專業防爆設備
2025-07-25 10:18:46電子氣象儀——一款可穿戴的氣象參數測定儀
2025-01-14 10:56:48超聲波測深儀儀器亮點
2025-02-11 10:24:50不銹鋼管式多層土壤墑情監測站,灌溉好幫手!
2025-09-09 10:33:47水土流失自動監測系統,創新水土流失監測科技設備
2025-06-25 10:52:58