山東萬象環境科技有限公司
聯系人:毛經理
聯系電話:15666889815
QQ:1950883583
公司地址:山東省濰坊高新區新城街道玉清社區光電路155號濰坊高新區光電產業加速器(一期)1號樓301
PRODUCT
聯系人:毛經理
聯系電話:15666889815
QQ:1950883583
公司地址:山東省濰坊高新區新城街道玉清社區光電路155號濰坊高新區光電產業加速器(一期)1號樓301

更新時間:2025-11-21
產品型號:WX-QT1S
產品價格:電議
產品品牌:萬象系
一、高精度一氧化碳傳感器技術參數
高精度一氧化碳傳感器又稱一氧化碳傳感器,高精度一氧化碳傳感器是一種用于精確檢測空氣中一氧化碳濃度的設備,廣泛應用于工業安全、家庭防護等領域,可用于發電機組房、化工廠等場所的管道巡檢,及時預警一氧化碳泄漏風險,保護作業人員的生命安全。
型號 | 測量參數 | 測量范圍 | 精度 | 分辨率 | 單位 | 工作溫度 | 工作濕度 |
QT1 | 一氧化碳 | 0-1000PPM | ±2PPM | 1PPM | PPM | -20℃-+50℃ | 10-95%RH無冷凝 |
QT1S | 0-20PPM | ≤±5% | 0.01PPM | PPM | -20℃-+50℃ | 10-95%RH無冷凝 | |
QT2 | 二氧化硫 | 0-20PPM | ±1PPM | 0.1PPM | PPM | -20℃-+50℃ | 10-95%RH無冷凝 |
QT2S | 0-1PPM | ≤±5% | 0.001ppm | PPM | -20℃-+50℃ | 10-95%RH無冷凝 | |
QT3 | 二氧化氮 | 0-20PPM | ±1PPM | 0.1PPM | PPM | -20℃-+50℃ | 10-95%RH無冷凝 |
QT3S | 0-1PPM | ≤±5% | 0.001ppm | PPM | -20℃-+50℃ | 10-95%RH無冷凝 | |
QT4 | 臭氧 | 0-20PPM | ±1PPM | 0.1PPM | PPM | -20℃-+50℃ | 10-95%RH無冷凝 |
QT4S | 0-1PPM | ≤±5% | 0.001ppm | PPM | -20℃-+50℃ | 10-95%RH無冷凝 | |
QT5 | 氧含量 | 0~30%VOL | ±3%FS | 0.1%VOL | VOL | -20℃-+50℃ | 5-95%RH 無冷凝 |
QT6 | 負氧離子 | 0~10萬 個/cm3 | ±10% | 10個/cm3 | 個/cm3 | +10℃-+70℃ | 10-70%RH無冷凝 |
QT7 | 硫化氫 | 0-100PPM | ±2PPM | 1PPM | PPM | -20℃-+50℃ | 10-95%RH無冷凝 |
QT8 | 甲烷 | 0-100%LEL | ≤±3% | 1%LEL | LEL | -20℃-+50℃ | 10-95%RH無冷凝 |
QT9 | TVOC | 0-100PPM | 55±15 nA/ppm | 1PPM | PPM | -20℃-+50℃ | 10-95%RH無冷凝 |
QT10 | 氨氣 | 0-100PPM | ±4PPM | 1PPM | PPM | -20℃-+50℃ | 10-95%RH無冷凝 |
QT11 | 一氧化氮 | 0-250PPM | -2~10PPM | 1PPM | PPM | -20℃-+50℃ | 10-95%RH無冷凝 |
QT12 | 甲醛 | 0-10PPM | <1PPM | 0.1PPM | PPM | -20℃-+50℃ | 10-95%RH無冷凝 |
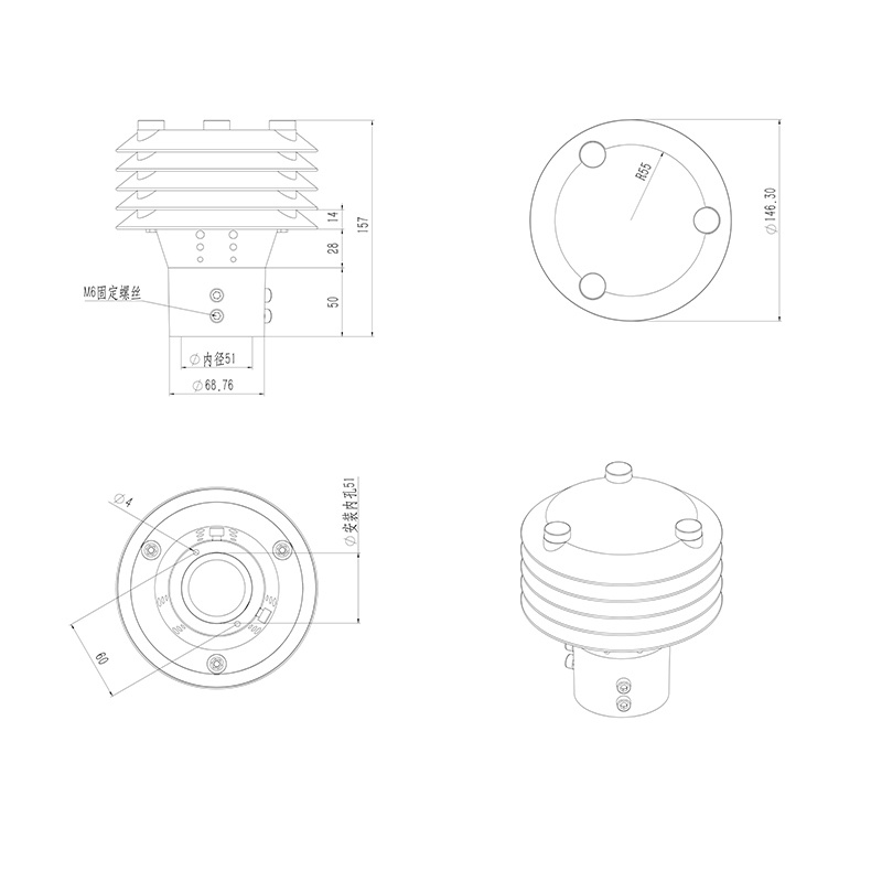
二、高精度一氧化碳傳感器產品尺寸圖

魚塘水質監測設備實時盯緊水環境健康
2025-11-21 09:47:07在線懸浮物測試儀-環保治理、水處理必備儀器
2025-11-21 09:43:44病蟲害監測系統守護農田作物健康的核心裝備
2025-11-21 09:39:33北斗水文環境監測站保障水資源安全,應對水旱災害
2025-11-20 10:33:41大型油氣儲存基地雷電預警系統守護雷電安全的預警哨兵
2025-11-20 10:30:35非洲豬瘟PCR檢測儀守護畜牧安全
2025-11-20 10:28:21田間小氣候觀測儀的日常工作是什么
2024-05-07 10:01:52農田小氣候氣象站:智慧農業,防災減災的利器
2024-07-30 10:47:14農業氣象站:種植業的健康發展少不了它!
2025-04-22 10:59:13應急氣象站便于攜帶,使用方便
2024-09-09 10:43:27水文在線監測系統——一款基于物聯網技術的水文監測站
2024-04-03 09:39:52電子氣象儀可用于自然災害應急監測
2024-12-02 11:02:51