Product Introduction
The air quality sensor is a device that can monitor real-time wind speed, direction, temperature, humidity, and air pressure in the environment pm2.5、pm10、 Sensor equipment for meteorological parameters such as noise, made of ASA engineering plastic, and used for outdoor applications with constant color throughout the year
As a professional manufacturer of micro-meteorological instruments, our company has been committed to the research, development, production and sales of micro-meteorological instruments and meteorological environmental solutions. With a complete production chain, a strong technical team and a comprehensive marketing team, we have developed and produced meteorological products such as ultrasonic anemometers, five-element micro-meteorological instruments, six-element micro-meteorological instruments and small automatic meteorological stations, which have been widely used in meteorological monitoring, urban environmental monitoring, wind power generation, navigation ships, civil aviation airports, bridges and tunnels and other fields. Our customers are spread all over the country and have achieved good social and economic benefits.
Compared with traditional micro-meteorological instruments, our company's products overcome the need for high-precision timing devices, avoiding the problems of inaccurate measurement caused by sensor startup delay, demodulation circuit delay, and temperature changes.
The WQX8 type of eight-element micro-meteorological instrument innovatively integrates meteorological standard parameters (wind speed, wind direction, temperature, humidity, atmospheric pressure, pm2.5, pm10, noise) through a highly integrated structure to achieve, which can continuously monitor outdoor meteorological parameters online for 24 hours, and output the eight parameters to the user at one time through a digital communication interface. The product structure is compact, the appearance is beautiful, generous, and highly integrated.
2. Product features
1、Top cover hidden ultrasonic probe, avoiding the interference of rain and snow accumulation, avoiding the natural wind to block ☆
2、The principle is to emit a continuous variable frequency ultrasonic signal, and detect the wind speed and direction by measuring the relative phase☆
3、Wind speed, wind direction, temperature, humidity, atmospheric pressure, pm2.5, pm10, noise eight elements integrated ☆
4、Advanced sensing technology is adopted to measure in real time, without a starting wind speed☆
5、Strong anti-interference ability, with a watchdog circuit, automatic reset function, to ensure the stable operation of the system
6、High integration, no moving parts, zero wear and tear
7、Low maintenance, no on-site calibration required
8、Use ASA engineering plastics for outdoor applications that do not fade over the years.
9、Product design output signal standard configuration is RS485 communication interface (MODBUS protocol); optional 232, USB, Ethernet interface, support real-time data reading ☆
10、Optional wireless transmission module can be equipped, with the minimum transmission interval of 1 minute.
11、The probe is designed with a buckle, solving the problem of looseness and inaccuracy during transportation and installation.☆
Three, Technical Parameters
1. Wind speed: Measurement principle ultrasonic, 0~60m/s (±0.1m/s) resolution 0.01m/s;
2、Wind direction: Measurement principle ultrasonic, 0~360° (±2°); Resolution: 1°;
3. Air temperature: Measurement principle: Diode junction voltage method, -40-80℃ (±0.3℃), resolution 0.01℃;
4、Air humidity: Measurement principle capacitive, 0-100% RH (±3% RH), resolution: 0.01% RH;
5、Atmospheric pressure: Measurement principle piezoresistive, 300-1100hpa (±0.25%), resolution 0.1hpa;
6、PM2.5: 0-1000ug/m3 (±10%)
7、PM10: 0-1000ug/m3 (±10%)
8、Noise: 30-120dB (±1.5dB)
9、Power: 0.72W
10、Production enterprises have ISO quality management system, environmental management system and occupational health management system certification ☆
11、The production enterprise has a computer software registration certificate☆
12、The production enterprise is a credit enterprise of grade 3A☆
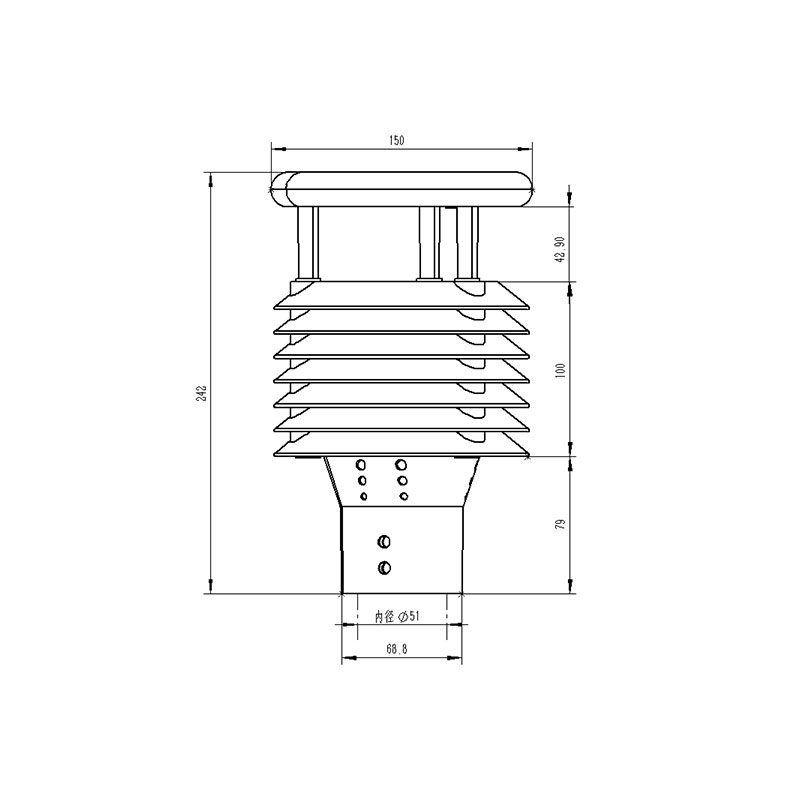
IV. Product Size Chart

5. Product structure diagram

1. Control circuit
2. Compass arrow
3. Ultrasonic probe
4. PM2.5, PM10
5. Temperature, humidity, noise, atmospheric pressure monitoring position
6. Flange adapter
※This product can be optionally equipped with electronic compass function
6. Product wiring definition

| Definition |
| Note |
| VCC | Power positive | DC12V |
| Ground | Power ground |
|
| 485A | RS485A |
|
| 485B | RS485B |
|
Product address:
http://www.08mx.com/en/weichuangan/1534.html