山東萬象環境科技有限公司
聯系人:毛經理
聯系電話:15666889815
QQ:1950883583
公司地址:山東省濰坊高新區新城街道玉清社區光電路155號濰坊高新區光電產業加速器(一期)1號樓301
PRODUCT
聯系人:毛經理
聯系電話:15666889815
QQ:1950883583
公司地址:山東省濰坊高新區新城街道玉清社區光電路155號濰坊高新區光電產業加速器(一期)1號樓301

更新時間:2025-11-21
產品型號:WX-B4
產品價格:電議
產品品牌:萬象系
一、溫濕度大氣壓噪聲傳感器產品簡介
溫濕度大氣壓噪聲傳感器又稱溫濕度傳感器,噪聲傳感器,溫濕度大氣壓噪聲傳感器可檢測溫濕度,光照度,二氧化碳,大氣壓力,噪音,氣體等,廣泛應用于電子,醫療,汽車,工業,氣象等領域。
山東萬象環境科技有限公司作為專業研發生產氣象傳感器的企業,一直致力于氣象傳感器和氣象環境解決方案推廣應用。具有完整的生產鏈、實力雄厚的技術團隊和全面的營銷團隊,我們研發生產的傳感器已廣泛應用到智慧農業、氣象監測、城市環境監測、風力發電、航海船舶、航空機場、橋梁隧道等領域,客戶遍布全國各地,并取得了良好的社會效益和經濟效益。
二、產品特點
1、抗干擾能力強,具有看門狗電路,自動復位功能,保證系統穩定運行
2、高集成度,無移動部件,零磨損
3、免維護,無需現場校準
4、采用ASA工程塑料室外應用常年不變色
5、產品設計輸出信號標配為RS485通訊接口(MODBUS協議);可選配232、USB、以太網接口,支持數據實時讀取☆
6、可選配無線傳輸模塊,最小傳輸間隔1分鐘
三、技術參數
1、空氣溫度:-40-60℃(±0.3℃);(北京市氣象局校準證書)
2、空氣濕度:0-100%RH(±3%RH);(北京市氣象局校準證書)
3、大氣壓力:30-110Kpa(±0.25%);(北京市氣象局校準證書)
4、噪聲:30-120dB(±1.5dB)
5、功率:0.12W
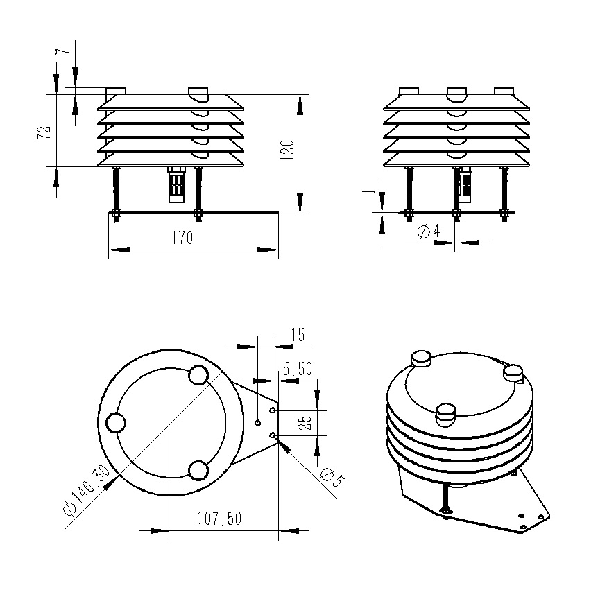
四、產品尺寸圖

五、產品結構圖

魚塘水質監測設備實時盯緊水環境健康
2025-11-21 09:47:07在線懸浮物測試儀-環保治理、水處理必備儀器
2025-11-21 09:43:44病蟲害監測系統守護農田作物健康的核心裝備
2025-11-21 09:39:33北斗水文環境監測站保障水資源安全,應對水旱災害
2025-11-20 10:33:41大型油氣儲存基地雷電預警系統守護雷電安全的預警哨兵
2025-11-20 10:30:35非洲豬瘟PCR檢測儀守護畜牧安全
2025-11-20 10:28:21草原生態監測氣象站優勢方面有哪些?
2024-06-04 10:37:49自動雪深監測系統在極端天氣下表現如何?
2024-12-02 10:39:29四通道96孔PCR儀可以用來干什么?
2025-01-10 11:08:48十層管式土壤墑情監測站幫助優化種植結構
2024-11-18 10:35:48微型氣象站可以用來應急災害監測
2024-10-12 10:30:55防爆氣象站——將危險場所的危險系數降低
2023-08-10 16:33:51